Werkstoff: Zahnrad: offenzelliger PU-Schaum mit Haftöl (H1-Zulassung) vorbeölt. Achse: Edelstahl. Gleitlagerung.

Modulverzahnung nach DIN 867. Nicht zur Drehmomentübertragung. Wahlweise kann eine Zahnstange oder ein Zahnrad geschmiert werden. Vorzugsweise erfolgt der Anbau am Antriebszahnrad. Der Schaumstoff speichert den Schmierstoff und gibt ihn in kleinsten Dosiermengen wieder ab. Die Schmierstoffversorgung kann automatisch oder manuell, z.B. mit einer Fettpresse, erfolgen.

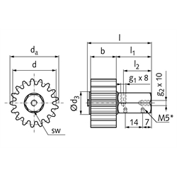
Hinweis: Radiales Schmieranschlussgewinde zur Verwendung mit einem Schlauchanschlussstück oder einem separat erhältlichen Verlängerungsadapter für die Montage mit Reduzierstück und Schmierstoffgeber. Wird ein Reduzierstück in Kombination mit der radialen Achse verwendet, ist die Nutzung eines Verlängerungsadapters zwingend erforderlich, um Kollisionen des Reduzierstücks mit dem PU-Schaum zu vermeiden.


Temperaturbereich: -10°C bis +80°C.

Service:

Katalogseite

Betriebs / Wartungsanleitung



Die angebotenen CAD-Daten, Abbildungen und technischen Zeichnungen werden mit größtmöglicher Sorgfalt erstellt.
Dennoch kann keine Gewährleistung für die Fehlerfreiheit und Genauigkeit dieser Daten übernommen werden.

( freibleibend aus Lagervorrat / kurzfristig lieferbar / Lieferzeit nach Vereinbarung. Bitte fragen Sie nach. )
Artikel Menge ModulZähnezahlb
[mm]
da
[mm]
d
[mm]
I
[mm]
I1
[mm]
I2
[mm]
g1
[mm]
g2
[mm]
d3
[mm]
sw
[mm]
Gewicht
[g]
68057115R10
1,52410393643±230,720M10x1M82724129
68057115R
1,52415393648±230,720M10x1M82724129
68057120R15
21715383448±230,720M10x1M82724135
68057120R
21720383453±230,720M10x1M82724135
68057125R20
2,5172047,542,553±230,720M10x1M82724155
68057125R
2,5172547,542,558±230,720M10x1M82724155
68057130R25
31725575158±230,720M10x1M82724155
68057130R
31730575163±230,720M10x1M82724155
68057140R30
41730766863±230,720M10x1M82724196
68057140R
41740766873±230,720M10x1M82724196
68057150R40
51740958573±230,720M10x1M86024346
68057150R
51750958583±230,720M10x1M86024346
68057160R50
6175011410283±230,720M10x1M86024425
68057160R
6176011410293±230,720M10x1M86024425
68057180R65
8176515213698±230,720M10x1M86024694
68057180R
81780152136113±230,720M10x1M86024694
68057100R
1017100190170133±230,720M10x1M810024781


zur Gruppe


Impressum AGB Hilfe Index


MÄDLER on Facebook Facebook MÄDLER on Youtube YouTube MÄDLER on X X MÄDLER on Instagram Instagram MÄDLER on Xingk Xing MÄDLER on Linkedin LinkedIn