Werkstoff: Körper: offenzelliger PU-Schaum. Achse: Edelstahl. Gleitlagerung. Kettenritzel: PA.

Für Simplex-Rollenketten DIN ISO 606 (ex DIN 8187). Die Rollen aus offenzelligem PU-Schaum übertragen den Schmierstoff punktuell auf die Rollenkettenlaschen. Der Antrieb der Schmierrollen wird durch ein Kunststoffritzel gewährleistet. Die Einbaulage ist beliebig. Die Schmierstoffversorgung kann automatisch oder manuell, z.B. mit einer Fettpresse, erfolgen.

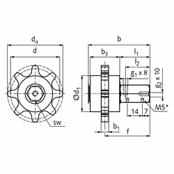
Hinweis: Radiales Schmieranschlussgewinde zur Verwendung mit einem Schlauchanschlussstück oder einem separat erhältlichen Verlängerungsadapter für die Montage mit Reduzierstück und Schmierstoffgeber. Wird ein Reduzierstück in Kombination mit der radialen Achse verwendet, ist die Nutzung eines Verlängerungsadapters zwingend erforderlich, um Kollisionen des Reduzierstücks mit dem PU-Schaum zu vermeiden.

Temperaturbereich: -10°C bis +80°C.

*Befestigungsgewinde für Federblechmontage.

Auf Anfrage: Lieferung auch mit einseitigem oder beidseitigem Federblech zur einfachen Montage möglich.

Service:

Katalogseite

Betriebs / Wartungsanleitung



Die angebotenen CAD-Daten, Abbildungen und technischen Zeichnungen werden mit größtmöglicher Sorgfalt erstellt.
Dennoch kann keine Gewährleistung für die Fehlerfreiheit und Genauigkeit dieser Daten übernommen werden.

( freibleibend aus Lagervorrat / kurzfristig lieferbar / Lieferzeit nach Vereinbarung. Bitte fragen Sie nach. )
Artikel Menge DIN ISOZähnezahld
[mm]
d1
[mm]
da
[mm]
b
[mm]
b1
[mm]
I1
[mm]
l2
[mm]
b3
[mm]
f
[mm]
g1
[mm]
g2
[mm]
sw
[mm]
Gewicht
[g]
68057508R
08 B-11249,07395361,4+2530202944,5M10x1M824170
68057510R
10 B-11051,37395561,4+2530202944,5M10x1M824170
68057512R
12 B-1849,78365561,4+2530202944,5M10x1M824170
68057516R
16 B-1866,37487571,4+21030204050M10x1M824180
68057520R
20 B-1882,97599081,4+21030205055M10x1M824440


zur Gruppe


Impressum AGB Hilfe Index


MÄDLER on Facebook Facebook MÄDLER on Youtube YouTube MÄDLER on X X MÄDLER on Instagram Instagram MÄDLER on Xingk Xing MÄDLER on Linkedin LinkedIn