Werkstoff: Gehäuse Sinterstahl, Hebelarm St52.

Diese Spannelemente eignen sich zum Spannen von sehr langen Ketten- oder Riementrieben. Der Leertrumm wird s-förmig durch die gefügten Spannräder oder -rollen geführt und der Hebelarm arbeitet dann wie eine Wippe. Es wird somit das dreifache an Längung gegenüber dem herkömmlichen Spanner kompensiert.

Service:

Katalogseite

Zusätzliche Informationen



Die angebotenen CAD-Daten, Abbildungen und technischen Zeichnungen werden mit größtmöglicher Sorgfalt erstellt.
Dennoch kann keine Gewährleistung für die Fehlerfreiheit und Genauigkeit dieser Daten übernommen werden.

( freibleibend aus Lagervorrat / kurzfristig lieferbar / Lieferzeit nach Vereinbarung. Bitte fragen Sie nach. )
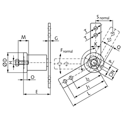
Artikel Menge GrößeFmax. bei normal
[N]
Fmax. bei hart
[N]
smax. bei normal
[mm]
smax. bei hart
[mm]
D
[mm]
E
[mm]
G
[mm]
H
[mm]
J1
[mm]
J2
[mm]
K
[mm]
L
[mm]
M
[mm]
N
[mm]
O
[mm]
P
[mm]
Q
[mm]
T
[mm]
MA
[Nm]
Gewicht
[kg]
14080209
217522050405878 +1,5 -0,56M101008030115303510,58,525,310,5490,75
14080309
3405506655078108 +2,0 -0,58M121301005015540521510,534,312,5862,1


zur Gruppe


Impressum AGB Hilfe Index


MÄDLER on Facebook Facebook MÄDLER on Youtube YouTube MÄDLER on X X MÄDLER on Instagram Instagram MÄDLER on Xingk Xing MÄDLER on Linkedin LinkedIn