Werkstoff: Stahl verzinkt.

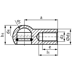
Form A: Kugelpfanne mit Sprengring.

Diese Bauteile sind zur Aufnahme eines Kugelzapfens (z.B. nach DIN 71803) vorgesehen. Bei der Montage wird der Kugelzapfen durch den Sprengring gedrückt und durch diesen gehalten. Bei kritischen Umgebungsbedingungen ist eine zusätzliche Abdichtung oder ein geschützter Einbau erforderlich.

RH = Innen-Rechtsgewinde.

LH = Innen-Linksgewinde, gekennzeichnet mit einer umlaufenden

Service:

Katalogseite



Die angebotenen CAD-Daten, Abbildungen und technischen Zeichnungen werden mit größtmöglicher Sorgfalt erstellt.
Dennoch kann keine Gewährleistung für die Fehlerfreiheit und Genauigkeit dieser Daten übernommen werden.

( freibleibend aus Lagervorrat / kurzfristig lieferbar / Lieferzeit nach Vereinbarung. Bitte fragen Sie nach. )
Artikel Menge FormGewindeausführungd1 +0,1
[mm]
Gewindegröße d2
[mm]
d3±0,5
[mm]
d4±0,5
[mm]
a ±0,3
[mm]
e
[mm]
h1±0,4
[mm]
l1
[mm]
Gewicht
[kg/100 Stück]
63640551
Arechts8M5812,82210,210,8150,9
63640651
Arechts10M61014,82511,512,3171,42
63640851
Arechts13M81319,33014,015,8202,9
63641051
Arechts16M101624,03515,520225,7
63641451
Arechts19M14 x 1,52230,04521,5252812,5
63650551
Alinks8M5812,82210,210,8150,9
63650651
Alinks10M61014,82511,512,3171,42
63650851
Alinks13M81319,33014,015,8202,9
63651051
Alinks16M101624,03515,520225,7
63651451
Alinks19M14 x 1,52230,04521,5252812,5


zur Gruppe


Impressum AGB Hilfe Index


MÄDLER on Facebook Facebook MÄDLER on Youtube YouTube MÄDLER on X X MÄDLER on Instagram Instagram MÄDLER on Xingk Xing MÄDLER on Linkedin LinkedIn