Werkstoff: Sinterbronze ähnlich SINT A50.

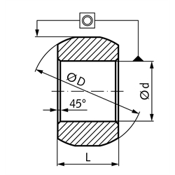
Selbstschmierender, ölgetränkter Lagereinsatz, zur radialen und schwenkbaren Lagerung von Wellen. Die Kugelform ermöglicht eine Schwenkbewegung im kundenseitigen Gehäuse. Die Welle dreht sich in der Bohrung. Kanten unter 45º abgeschrägt, nach Wahl des Herstellers.
Koaxialitätstoleranz IT9. Bei Buchsen aus Sintermetall kann wegen des porösen Gefüges keine Rautiefenangabe nach DIN 3141 (Vornorm) gemacht werden.

T = Empfohlenes Haltemoment im kundenseitigen Gehäuse.

Service:

Katalogseite



Die angebotenen CAD-Daten, Abbildungen und technischen Zeichnungen werden mit größtmöglicher Sorgfalt erstellt.
Dennoch kann keine Gewährleistung für die Fehlerfreiheit und Genauigkeit dieser Daten übernommen werden.

( freibleibend aus Lagervorrat / kurzfristig lieferbar / Lieferzeit nach Vereinbarung. Bitte fragen Sie nach. )
Artikel Menge d
[mm]
D
[mm]
L
[mm]
T
[Nm]
Gewicht
[g]
MAE 6233.3-4-10-8
41080,14 - 0,182,6
MAE 6233.3-5-12-9
51290,18 - 0,284,29
MAE 6233.3-6-14-11
614110,27 - 0,46,82
MAE 6233.3-7-16-12
716120,35 - 0,69,89
MAE 6233.3-8-18-13
818130,42 - 0,713,72
MAE 6233.3-9-20-14,5
92014,50,5 - 0,818,71
MAE 6233.3-10-22-16
1022160,7 - 0,924,77
MAE 6233.3-12-23-16
1223160,85 - 1,224,85


zur Gruppe


Impressum AGB Hilfe Index


MÄDLER on Facebook Facebook MÄDLER on Youtube YouTube MÄDLER on X X MÄDLER on Instagram Instagram MÄDLER on Xingk Xing MÄDLER on Linkedin LinkedIn