Werkstoff: Gehäuse aus Sinterstahl bzw. GG20. Hebelarm aus St52.

Diese Spannelemente entsprechen vom Aufbau der Standardausführung, sind jedoch galvanisch verzinkt und es sind mineralölbeständige, synthetische Federkörper gefügt. Diese Bauteile eignen sich für den Betrieb "im Freien", z. B. Baumaschinen oder im Ölbad in Getriebekästen. Gekennzeichnet sind die Spannelemente durch einen gelben Punkt auf dem Hebelarm.

Für beide Spannrichtungen geeignet.Temperaturbereich: -30º bis +90°C

Service:

Katalogseite

Zusätzliche Informationen



Die angebotenen CAD-Daten, Abbildungen und technischen Zeichnungen werden mit größtmöglicher Sorgfalt erstellt.
Dennoch kann keine Gewährleistung für die Fehlerfreiheit und Genauigkeit dieser Daten übernommen werden.

( freibleibend aus Lagervorrat / kurzfristig lieferbar / Lieferzeit nach Vereinbarung. Bitte fragen Sie nach. )
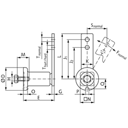
Artikel Menge GrößeFmax. bei normal
[N]
F max. bei hart
[N]
smax. bei normal
[mm]
smax. bei hart
[mm]
D
[mm]
E
[mm]
G
[mm]
H
[mm]
J1
[mm]
J2
[mm]
K
[mm]
L
[mm]
M
[mm]
N
[mm]
O
[mm]
P
[mm]
Q
[mm]
T
[mm]
MA
[Nm]
Gewicht
[kg]
14080003
09612840303551 +1,0 -0,55M68060209020226816,58,5100,2
14080103
113517050404564 +1,0 -0,55M81008025112,5253088,520,810,5250,4
14080203
235044050405879 +1,5 -0,57M101008030115303510,58,525,310,5490,6
14080303
38101050655078108 +2,0 -0,58M121301005015540521510,534,312,5861,7
14080403
41500187587,57095140 +2,0 -0,510M161751406020540661512,542,020,52103,55


zur Gruppe


Impressum AGB Hilfe Index


MÄDLER on Facebook Facebook MÄDLER on Youtube YouTube MÄDLER on X X MÄDLER on Instagram Instagram MÄDLER on Xingk Xing MÄDLER on Linkedin LinkedIn