Werkstoff: Edelstahl 1.4301 (V2A).

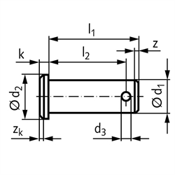
Bolzen zur Übertragung von radialen Kräften mit gelegentlichen Schwenkbewegungen, wie z.B. in Gabelgelenken. Mit Splintloch für einen Einmal-Splint DIN EN ISO 1234 (ex DIN 94) oder Dauersplint (Federstecker). Zur Verwendung mit einer Unterlegscheibe DIN EN ISO 7089 (ex DIN 125 A). Der Splint dient nur zur Sicherung gegen Verlust. Nicht für axiale Belastung.

Service:

Katalogseite

CAD Daten



Die angebotenen CAD-Daten, Abbildungen und technischen Zeichnungen werden mit größtmöglicher Sorgfalt erstellt.
Dennoch kann keine Gewährleistung für die Fehlerfreiheit und Genauigkeit dieser Daten übernommen werden.

Auf Lager: Ja

Artikelnr.: 63799420

Staffelpreis in CHF pro STK:

15102550100250500
12,3411,5110,9610,419,849,318,768,21

d1h11 [mm]20
d2h14 [mm]28
d3H14 [mm]5
l1js15 [mm]53
l2+0,5 [mm]47
kjs14 [mm]4
zk [mm] 2
z [mm] 1,5
Gewicht [g] 139

Zurück zur Übersicht


Impressum AGB Hilfe Index


MÄDLER on Facebook Facebook MÄDLER on Youtube YouTube MÄDLER on X X MÄDLER on Instagram Instagram MÄDLER on Xingk Xing MÄDLER on Linkedin LinkedIn