Werkstoff: Gehäuse bis Ø78 mm aus Sinterstahl, über Ø78 mm aus GG20. Hebelarm aus St52.

Diese Spannelemente entsprechen maßgeblich der Standardausführung. Zur leichteren Montage werden sie mittels der durchgehenden Schraube von der Hebelarmseite befestigt. Maschinenseitig ist ein Gewinde einzubringen. Die beigefügte Schraube ist durch einen O-Ring transportgesichert.

Service:

Katalogseite

Zusätzliche Informationen

CAD Daten



Die angebotenen CAD-Daten, Abbildungen und technischen Zeichnungen werden mit größtmöglicher Sorgfalt erstellt.
Dennoch kann keine Gewährleistung für die Fehlerfreiheit und Genauigkeit dieser Daten übernommen werden.

Auf Lager: Ja

Artikelnr.: 14080107

Staffelpreis in CHF pro STK:

15102550100250
76,3569,5764,4859,4154,3150,9248,64

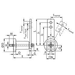
Größe1
Fmax. bei normal [N]135
Fmax. bei hart [N]170
Smax. bei normal [mm]50
Smax. bei hart [mm]40
D [mm]45
E [mm]64 +1,0 -0,5
G [mm]5
H [mm]M6
J1 [mm]100
J2 [mm]80
K [mm]25
L [mm]112,5
M [mm]12
N [mm]30
O [mm]8
P [mm]8,5
Q [mm]20,8
R [mm]10
T [mm]10,5
MA [Nm]17
Gewicht [kg]0,4

Zurück zur Übersicht


Impressum AGB Hilfe Index


MÄDLER on Facebook Facebook MÄDLER on Youtube YouTube MÄDLER on X X MÄDLER on Instagram Instagram MÄDLER on Xingk Xing MÄDLER on Linkedin LinkedIn