Werkstoff: Gehäuse Sinterstahl bzw. GG20. Hebelarm St52. Kettenrad aus Stahl.

Das Spannelement, ein kontinuierlich spannendes Torsionselement, verlängert die Lebensdauer von Ketten- und Riementrieben um mindestens 30% und reduziert drastisch Unterhalts- und Reparaturarbeiten. Die einmalige Funktionsweise dieser Feder bietet einen langen Spannweg, zumal der Hebelarm in beiden Richtungen bis zu 30 ° vorgespannt werden kann. Die permanente Torsionskraft kompensiert nicht nur automatisch die Kettenlängung, das gummigelagerte Element wirkt auch als Dämpfer von Vibrationen und Schlägen im gesamten Antrieb. Weitere Vorteile: Kettenspur einstellbar, Gummidämpfung, im Winkelbereich von 360 ° einstellbar, Spanndruck stufenlos von "normal" bis" hart" einstellbar. Für beide Spannrichtungen geeignet.

Service:

Katalogseite

Zusätzliche Informationen

CAD Daten



Die angebotenen CAD-Daten, Abbildungen und technischen Zeichnungen werden mit größtmöglicher Sorgfalt erstellt.
Dennoch kann keine Gewährleistung für die Fehlerfreiheit und Genauigkeit dieser Daten übernommen werden.

Auf Lager: Ja

Artikelnr.: 14052100

Staffelpreis in CHF pro STK:

15102550100
113,9810291,2584,2976,4171,78

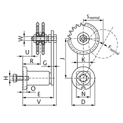
DIN / ISO - Nr.06 B-2
Teilung [Zoll]3/8 x 7/32
Zähnezahl15
Teilkreis-Ø [mm]45,81
Spannelement [Größe]2
Fmax. bei normal [N]350
Fmax. bei hart [N]440
S max. bei normal [mm]50
S max. bei hart [mm]40
D [mm]58
E [mm]78+1,5-0,5
G [mm]7
H [mm]M 10
J [mm]
K [mm]30
N [mm]35
O [mm]10,5
R [mm]39-50
U [mm]23
V [mm]85
W [mm]M 10
Gewicht [kg]0,80

Zurück zur Übersicht


Impressum AGB Hilfe Index


MÄDLER on Facebook Facebook MÄDLER on Youtube YouTube MÄDLER on X X MÄDLER on Instagram Instagram MÄDLER on Xingk Xing MÄDLER on Linkedin LinkedIn